登录  免费注册

数字工信服务平台

一种窑炉用氮氧化物自动控制装置

发布时间:2021-11-08
  • 专利类型:实用新型
  • 日期 :2021-11-08
  • 专利名称:一种窑炉用氮氧化物自动控制装置
  • 专利权人 : 匿名
  • 联系电话 :0372-2110568

交易价格(万元):面谈

专利详情

专利类别 :实用新型 专利号 : ZL201721401215.X 申请日期 : 2017-10-26
公开日期 :2018-05-11 专利名称 : 一种窑炉用氮氧化物自动控制装置 专利权人 :匿名
国际分类号: 暂无 范畴分类号 : 暂无 行业分类 : 暂无
详情介绍:

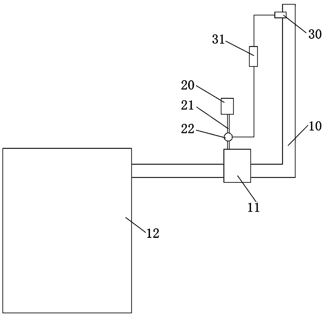
一种窑炉用氮氧化物自动控制装置,包括排烟管道,其中部连通升温中和混合室,排烟管道一端连通窑炉,一端连通大气,其为窑炉的尾气排出通道,排烟管道的排气端设有锅炉尾气检测设备,升温中和混合室通过氨气管道连通氨气存储装置,氨气管道设有流量控制阀,锅炉尾气检测设备电连接PLC,PLC电连接流量控制阀.


服务流程

服务流程

买方卖方

身份 买家提供 卖家提供 交易服务 过户后您将会获得
企业

企业申请

执照

企业营业执照

组织机构代码证

执照

企业营业执照

专利证书证件

专利代理委托书
专利权转让协议
办理文件副本请求书
发明人变更声明

专利委托书

手续合格通知书

专利登记薄副本

个人

个人申请

身份

身份证

执照

身份证

专利证书证件

服务承诺

  • 证明

    确保拿到
    核准专利转让证明

  • 证明

    确保拿到
    转让受理通知书

  • 证明

    专利转让
    全程监控

  • 证明

    专利转让完成
    享受专利最低待遇

  • 证明

    免费客服热线
    快速回复客户问题

联系电话:0372-2110568

传真:0372-2110568

地址:河南省安阳市高新区弦歌大道与峨嵋大街交叉口向东100米路南科创大厦

www.ayipx.cn 版权所有 严禁转载!豫ICP备17028958号 公网安备 41050202000126 河南相映红信息技术有限公司 【后台管理】

0372-2110568